Notices
Explorer, Sport Trac, Mountaineer & Aviator 1991-1994, 1995-2001, 2002-2005, 2006-2010 Ford Explorer

2004 Explorer power window problem

Thread Tools
 
Search this Thread
 
Old Oct 5, 2016 | 05:11 PM
  #31  
shorod's Avatar
shorod
Logistics Pro
15 Year Member
Photogenic
Liked
Loved
Joined: Jun 2009
Posts: 4,808
Likes: 83
From: Cedar Rapids, IA
Hmmm, you'll probably need to check for power to the source side of the fuse/breaker and the load side of the fuse/breaker. I will have to check the service manual to see if the fuses you checked are the extent of the fuses/breakers for the blue/black wire.

-Rod
 
Reply
Old Oct 5, 2016 | 11:04 PM
  #32  
shorod's Avatar
shorod
Logistics Pro
15 Year Member
Photogenic
Liked
Loved
Joined: Jun 2009
Posts: 4,808
Likes: 83
From: Cedar Rapids, IA
According to the factory service manual, the light blue/black wire that provides power to the master window switch is sourced from the Accessory Delay Relay. There are several items that are powered from this relay, so if the other functions (radio, power sunroof, etc.) still work, then power from the relay is likely not the issue. However, if the radio fails to work, then you might have a relay issue or fused power issue. In that case you'd want to check fuse F2.17 in the Central Junction Box, fuse F1.62 in the Battery Junction Box, and fuse F1.6, also in the Battery Junction Box.

-Rod
 
Reply
Old Jun 13, 2017 | 05:32 PM
  #33  
Audi_Q53's Avatar
Audi_Q53
New User
Joined: Jun 2017
Posts: 1
Likes: 0
2004 Ford Explorer Windows not working

Had same problem as fjp3, broken ground wire in the door boot. Put a long jumper to black grd wire and bingo all windows worked. Thanks for the help guys I'm back in business, and you save us a ton of money.
 
Reply
Old Jun 14, 2017 | 12:43 PM
  #34  
shorod's Avatar
shorod
Logistics Pro
15 Year Member
Photogenic
Liked
Loved
Joined: Jun 2009
Posts: 4,808
Likes: 83
From: Cedar Rapids, IA
Great, glad to hear you were able to get your windows working again on the cheap!

-Rod
 
Reply
Old Oct 4, 2025 | 09:35 AM
  #35  
Mobile-Auto's Avatar
Mobile-Auto
3rd Gear
Joined: Oct 2025
Posts: 3
Likes: 0
From: Hector, Arkansas
Somewhat related: All windows work from the master switch but do not work from their respective switch! I'm hunting the feed wire from the window lockout switch since it doesn't change anything to the other switches. I did replace ALL switches already.
02 Sport Trac
 

Last edited by Mobile-Auto; Oct 4, 2025 at 09:36 AM.
Reply
Old Oct 6, 2025 | 12:36 PM
  #36  
shorod's Avatar
shorod
Logistics Pro
15 Year Member
Photogenic
Liked
Loved
Joined: Jun 2009
Posts: 4,808
Likes: 83
From: Cedar Rapids, IA
Do you have the wiring diagram for the power windows?

-Rod
 
Reply
Old Oct 6, 2025 | 06:15 PM
  #37  
Mobile-Auto's Avatar
Mobile-Auto
3rd Gear
Joined: Oct 2025
Posts: 3
Likes: 0
From: Hector, Arkansas
I have the small schematic from a Haines manual. It is a bit unclear; I'm wondering about the color of the wire from the window lock out to the other switches.
 
Reply
Old Oct 7, 2025 | 08:48 PM
  #38  
shorod's Avatar
shorod
Logistics Pro
15 Year Member
Photogenic
Liked
Loved
Joined: Jun 2009
Posts: 4,808
Likes: 83
From: Cedar Rapids, IA
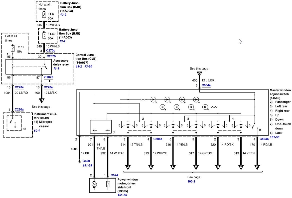
Here are the diagrams from the factory service manual. The window lock wire is the Red/Light Blue wire at terminal location 4. Based on the wiring to the other window switches, the won't be getting power for the button backlights if they are not getting power from the window lock switch. That might be a good quick check to see if that's the likely issue. If the switches are lit up, then the Window Lock wire is NOT the problem.

-Rod

2004 Explorer Master window switch
2004 Explorer Master window switch
2004 Explorer window switches
2004 Explorer window switches
 
Reply
FTE Stories

Ford Trucks for Ford Truck Enthusiasts

story-0

Ford's 2001 Explorer Sportsman Concept Looks For a New Home

 Verdad Gallardo
story-1

10 Best Ford Truck Engines We Miss the Most!

 Joe Kucinski
story-2

2026 Shelby F-150 Off-Road: Better Than a Raptor R?

 Brett Foote
story-3

2027 Super Duty Carhartt Package First Look: 12 Things You NEED to Know!

 Michael S. Palmer
story-4

10 Most Surprising 2026 Ford Truck Features!

 Joe Kucinski
story-5

Top 10 Ford Trucks Coming to Mecum Indy 2026

 Brett Foote
story-6

5 Best / 5 Worst Ford Truck Wheels of All Time

 Joe Kucinski
story-7

Ford Super Duty: 5 Things Owners LOVE, 5 Things They LOATHE!

 Joe Kucinski
story-8

Every 2026 Ford Truck Engine RANKED from WORST to FIRST!

 Michael S. Palmer
story-9

The Best F-150 Deal of Every Trim Level (XL through Raptor)

 Joe Kucinski
Old Oct 8, 2025 | 04:46 AM
  #39  
Mobile-Auto's Avatar
Mobile-Auto
3rd Gear
Joined: Oct 2025
Posts: 3
Likes: 0
From: Hector, Arkansas
Thank you! That's what I was looking for. I will check that this weekend.
 
Reply
Related Topics
Thread
Thread Starter
Forum
Replies
Last Post
precisiontile
Explorer, Sport Trac, Mountaineer & Aviator
5
Apr 1, 2024 12:57 PM
Hounddog5443
1999 - 2016 Super Duty
7
May 10, 2020 02:34 PM
beckman
Explorer, Sport Trac, Mountaineer & Aviator
5
Jun 6, 2017 02:54 PM
Midnightride42
Electrical Systems/Wiring
3
Oct 22, 2008 10:43 AM
hermangarza
Electrical Systems/Wiring
3
Sep 12, 2003 08:48 PM




All times are GMT -5. The time now is 01:47 AM.

story-0
Ford's 2001 Explorer Sportsman Concept Looks For a New Home

Slideshow: Ford's bizarre fishing-themed Explorer concept has resurfaced after spending decades largely forgotten.

By Verdad Gallardo | 2026-05-12 18:07:46


VIEW MORE
story-1
10 Best Ford Truck Engines We Miss the Most!

Slideshow: The 10 best Ford truck engines we miss the most.

By Joe Kucinski | 2026-05-12 13:09:47


VIEW MORE
story-2
2026 Shelby F-150 Off-Road: Better Than a Raptor R?

Slideshow: first look at the 810 hp 2026 Shelby F-150 Off-Road!

By Brett Foote | 2026-05-12 12:50:07


VIEW MORE
story-3
2027 Super Duty Carhartt Package First Look: 12 Things You NEED to Know!

Slideshow: Everything You Need to Know about the 2027 Super Duty Carhartt Package!

By Michael S. Palmer | 2026-05-07 17:51:06


VIEW MORE
story-4
10 Most Surprising 2026 Ford Truck Features!

Slideshow: 10 most surprising Ford truck options/features in 2026.

By Joe Kucinski | 2026-05-05 11:17:22


VIEW MORE
story-5
Top 10 Ford Trucks Coming to Mecum Indy 2026

Slideshow: Here are the top 10 Fords coming to Mecum Indy 2026.

By Brett Foote | 2026-05-04 13:49:49


VIEW MORE
story-6
5 Best / 5 Worst Ford Truck Wheels of All Time

Slideshow: The 5 best and 5 worst Ford truck wheels of all time

By Joe Kucinski | 2026-04-29 16:49:01


VIEW MORE
story-7
Ford Super Duty: 5 Things Owners LOVE, 5 Things They LOATHE!

Slideshow: Ranking the 5 things owners love about their Super Duty and 5 things they don't

By Joe Kucinski | 2026-04-29 16:36:49


VIEW MORE
story-8
Every 2026 Ford Truck Engine RANKED from WORST to FIRST!

Slideshow: Ranking all 12 Ford truck engines available in 2026.

By Michael S. Palmer | 2026-04-22 13:32:20


VIEW MORE
story-9
The Best F-150 Deal of Every Trim Level (XL through Raptor)

Slideshow: The best Ford F-150 deal for every trim level (XL through Raptor)

By Joe Kucinski | 2026-04-21 15:59:01


VIEW MORE