Notices
Pre-Power Stroke Diesel (7.3L IDI & 6.9L) Diesel Topics Only

FSS wiring to a switch

Thread Tools
 
Search this Thread
 
Old Mar 11, 2026 | 10:57 PM
  #1  
Elliott'84's Avatar
Elliott'84
Thread Starter
|
5th Wheeling
Joined: Nov 2025
Posts: 26
Likes: 6
FSS wiring to a switch

My truck is a 84 F250 6.9 Idi and I am not getting power to the FSS. It was driving fine until one day it just shut off, after messing around with it I found I had no power to the FSS. The wiring in this truck is a mess, so I was just going to hook it up to a switch on the dash, but I'm not sure what size wire to use (looks like 12ga maybe) and I want to put in an inline fuse but not sure how many amps fuse to use? also, how do I hook it up in a way so that my high idle and all that stuff still works? Any input is greatly appreciated, Thanks.
 
Reply
Old Mar 12, 2026 | 06:26 AM
  #2  
Olds64's Avatar
Olds64
Logistics Pro
5 Year Member
Shutterbug
Liked
Loved
Joined: Jun 2017
Posts: 3,912
Likes: 499
From: Edmond, OK
The FSS goes to the ignition switch on the steering column. Here's some good directions on troubleshooting the ignition switch.

https://www.garysgaragemahal.com/ignition.html
 
Reply
Old Mar 12, 2026 | 05:11 PM
  #3  
FORDF250HDXLT's Avatar
FORDF250HDXLT
Fleet Owner
15 Year Member
Community Builder
Liked
Community Favorite
Joined: Jul 2006
Posts: 20,151
Likes: 703
From: Mi'kma'ki
Yeah it could be the trigger wire from the switch. If not, it's probably a blown fuseable link, on the older trucks, they had it on the fender mounted starter solenoid. That pdf link above is for gas trucks, so it doesn't show you that part of course. I know if you search here, you might find a pic posted of the exact one. If that's all it is, it should restore the whole line of FSS and the high idle, timing advance solenoids for ya.

Oh, FYI;
If you need your truck right now, you can just run a jumper with an inline fuse of like 20 amp probably should be safe, close to the battery and put a toggle switch in just after it, so between the FSS and the fuse. Then you can just pop the hood, hit the toggle to power the FSS and get the truck going.......... if you're feeling extra lazy, you can run a wire in the cab and put your toggle in there, then run the other end back out to the FSS......or better yet, further up the line to power the whole circuit.......... but it's likely even easier just replacing the fuse link if that's blown anyway haha
 

Last edited by FORDF250HDXLT; Mar 12, 2026 at 05:36 PM.
Reply
Old Mar 12, 2026 | 10:09 PM
  #4  
Elliott'84's Avatar
Elliott'84
Thread Starter
|
5th Wheeling
Joined: Nov 2025
Posts: 26
Likes: 6
Thanks for the replies. I checked the fuse link its good.
FORDF250HDXLT would it be bad to hook the whole FSS circuit up to a switch in the cab more permanently?
 
Reply
Old Mar 12, 2026 | 10:15 PM
  #5  
FORDF250HDXLT's Avatar
FORDF250HDXLT
Fleet Owner
15 Year Member
Community Builder
Liked
Community Favorite
Joined: Jul 2006
Posts: 20,151
Likes: 703
From: Mi'kma'ki
No it wouldn't hurt anything. It's all low amp draw stuff. The only reason it's wired like it is, is so that you don't have to switch it on manually, and so that the key does it for you. With a toggle, you make an old classic car/truck kill switch, which some people do on purpose (cut power to the coil on gas engines). In that case, you hide the switch, to deter thieves.
 
Reply
Old Mar 12, 2026 | 10:30 PM
  #6  
Elliott'84's Avatar
Elliott'84
Thread Starter
|
5th Wheeling
Joined: Nov 2025
Posts: 26
Likes: 6
Alright I'll probably do that then. I think it's kind of cool anyway. What size wire do I need to use then? Also, how many amp fuse?
 
Reply
Old Mar 13, 2026 | 06:59 AM
  #7  
tjc transport's Avatar
tjc transport
i ain't rite
Joined: Mar 2005
Posts: 65,221
Likes: 5,405
From: Marlboro Mental Hospital.
Club FTE Gold Member
easier than running a new switch, find a switched power fuse on the fuse box and tap off it for the wire running to the FSS. this way the ignition still turns the engine on and off.
 
Reply
Old Mar 13, 2026 | 07:04 AM
  #8  
FORDF250HDXLT's Avatar
FORDF250HDXLT
Fleet Owner
15 Year Member
Community Builder
Liked
Community Favorite
Joined: Jul 2006
Posts: 20,151
Likes: 703
From: Mi'kma'ki
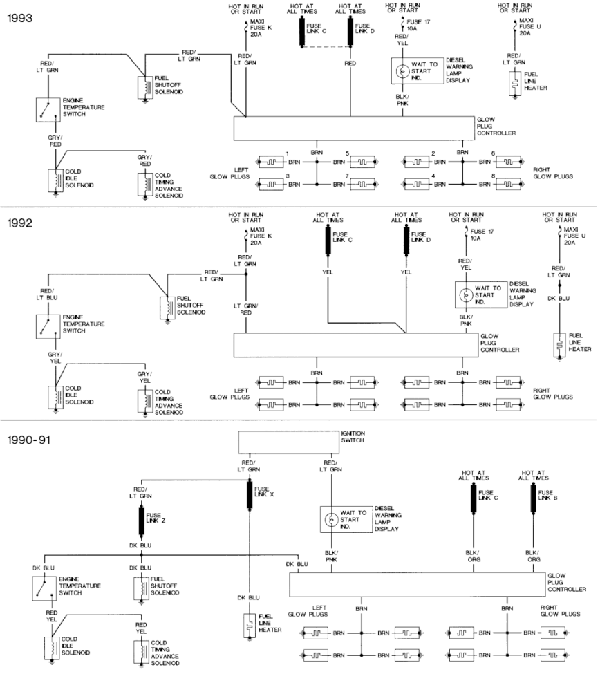
OK, so here is how I would do it. Looking at the schematic again, it's handy that the line goes into the FSS first and the rest after. Let's hope the older truck is wired this way too. So to "fix" it, all you'd really need to do is snip the incoming FSS wire which is no longer getting 12v. Find a key in on in run source, say the radio for example and feed that into the engine bay.
Run a fuse link preferably, but I don't see any reason not to use a fuse for solenoids. Now I think about it, that was likely done for cost... anyway;

Step 1: Run a line from your radio (place a toggle switch in line here if you want one) - It's fused already, take a note somewhere, if your radio fuse blows, so does your FSS/ engine no longer run.
(This will not put any more load on this circuit.)
Get a 30 or 40 amp relay (whatever the auto store has, both are overkill)
and snip the FSS wire. Leave the old broken incoming wire unhooked (tape it up for saftey anyway).
Connect your incoming radio 12v to the #86 pin of the relay. Place the relay somewhere safe and out of the way near the IP.

Step #2 - connect the #85 pin of the relay to ground.

Step 3. Run a line with a 20 amp fuse holder. Place fuse closest to fender mounted solenoid - pin that is ALWAYS 12v. or directly from + battery post and run this wire over to pin #30 of your relay.

Step 4. Hook the line from the FSS solenoid to the last pin on the relay Pin #87.

I'm sure 14 gauge wire is all you need for these small solenoids, but if you want, you can run 12 gauge from the + battery source to pin #30 if you want to make it extra overkill. The radio line to FSS can literally be some speaker wire. Super low amp there. The radio 12v with or without toggle, just has the little universal solenoid to switch. No real amp draw here.

If you don't use a kill switch toggle, the truck will start and run as always (so long ad the radio fuse is always good) with just the key.
If you want the toggle, hide it for extra saftey against theft. Since the radio is a key on source (not a constant 12 v source - VERY important!) you can simply always leave the toggle ON and the truck will start and run as normal. If the truck doesn't start, you probably forgot to turn on your toggle. Do NOT use a constant 12v source for your trigger wire, or your FSS and other solenoids will burn up from being on all the time and drain your battery eventually.






Now that I stated how I would do it, lets say you just had an old truck for plowing or something, a real beater with a heater; just an old farm use truck.
Run a 20 amp fused line from battery, using 12 gauge into cab to a toggle (now in this case you need to make sure the toggle switch is rated for up too a 20 amp draw too; not that it would ever see it, but still), back out the FSS and done. Don't forget to turn your toggle switch OFF when done though! Not the safest method cus you could burn out your FSS and or drain your battery if you forget... probably burn your FSS out long before the battery died, I dunno.
But in this case, I wouldn't even do this much. I'd pop the hood and manually connect and disconnect a hard wired line (still using an inline 20 amp fuse) to the FSS myself, if it was just an old truck I needed from time to time, so. Same thing of course, don't forget to unhook it (just pull the fuse out) when done.
 

Last edited by FORDF250HDXLT; Mar 13, 2026 at 12:04 PM.
Reply
Old Mar 13, 2026 | 07:30 AM
  #9  
Olds64's Avatar
Olds64
Logistics Pro
5 Year Member
Shutterbug
Liked
Loved
Joined: Jun 2017
Posts: 3,912
Likes: 499
From: Edmond, OK
^^^THIS^^^

14 gauge wire would work, 12 gauge wire would be even better, 10 gauge would be overkill. Make sure you use plenty of zip ties when you run your FSS auxiliary circuit! They're worth 10-12 ft.lbs. of torque per zip tie!
 
Reply
Old Mar 14, 2026 | 07:47 AM
  #10  
tecgod13's Avatar
tecgod13
Logistics Pro
15 Year Member
Joined: Sep 2007
Posts: 3,728
Likes: 172
From: Western Mass
Slight problem with using the radio on as a feed, the radio is OFF during cranking, meaning the FSS will be OFF during cranking, and you'd not be able to start the truck. I want to say about the only thing ON during cranking is the starter and FSS feed, so the wiring will need to be a little bit different if I'm correct about this.
 
Reply
Old Mar 14, 2026 | 10:12 AM
  #11  
Elliott'84's Avatar
Elliott'84
Thread Starter
|
5th Wheeling
Joined: Nov 2025
Posts: 26
Likes: 6
Sense my fuse link is still good can I just wire it from the battery to switch in the dash, from the switch to the fuse link? or is this a bad idea (sorry I don't really understand electrical, so I really appreciate all the help) Thanks
 

Last edited by Elliott'84; Mar 14, 2026 at 10:21 AM.
Reply
Old Mar 14, 2026 | 10:16 AM
  #12  
FORDF250HDXLT's Avatar
FORDF250HDXLT
Fleet Owner
15 Year Member
Community Builder
Liked
Community Favorite
Joined: Jul 2006
Posts: 20,151
Likes: 703
From: Mi'kma'ki
Originally Posted by tecgod13
Slight problem with using the radio on as a feed, the radio is OFF during cranking, meaning the FSS will be OFF during cranking, and you'd not be able to start the truck. I want to say about the only thing ON during cranking is the starter and FSS feed, so the wiring will need to be a little bit different if I'm correct about this.
Oh you're right, it is!

Originally Posted by Elliott'84
Sense my fuse link is still good can I just wire it from the battery to switch in the dash, from the switch to the fuse link? or is this a bad idea (sorry I don't really understand electrical, so I really appreciate all the help) Thanks
Well if all you want is a basic toggle switch to power the FSS from inside the cab, all you need to do is follow the end of my post;
Run 12 gauge wiring from always hot power from under the hood with a 20 amp fuse in it, or yes, tap into the protected side of the fuse link already there, run that into cab into 20 amp or higher rated toggle, back out to FSS.
If the fuse link side is always hot, you'll have to remember to turn the toggle off all the time. If that's only hot when you turn the key (but it must stay hot while cranking) then you can always leave the toggle on, cus of that's the case, the power will die with the key off. You'll need a meter and a test light.

You can search for something else in cab too that stays powered during cranking, but turns off with key, if you want to rig up the ideal way with relay and trigger wire.

Whatever you do, ideally, the power to the FSS should die with the key off, that's all I'm saying. It's super easy to hard wire it without it doing that, but it's an easy way to forget and burn out the FSS too, so haha.

Plus don't forget, you can always pull the column and start tracing out the original problem and just run a new line that went bad from the key to the power the FSS too. You have lots of options. Some better than others.
The easiest, supplying a jumper under the hood from battery to FSS with a fuse in it, and installing and pulling the fuse. The hardest, fixing the original wiring, the third, running your own relay circuit but ideally finding a 12v source (I'm sure there are plenty) at the fuse panel for your trigger wire cus tecgod is right, the radio power does die for some reason while cranking, and I hadn't thought of that.

If this all just sound French to you, don't mess with it. Just take it to someone and let them know what you want to do. Tell them your key isn't supplying power to the FSS anymore, and they don't have it fix it "right" but you'd like the key to still manage it for you (with a toggle switch in line if you want, but wired in a way that if you leave it on, it still powers down with the key) They'll know what to do.
 

Last edited by FORDF250HDXLT; Mar 14, 2026 at 10:36 AM.
Reply
Old Mar 14, 2026 | 11:44 AM
  #13  
BigBlue2's Avatar
BigBlue2
Lead Driver
20 Year Member
Liked
Loved
Community Favorite
Joined: Apr 2002
Posts: 5,091
Likes: 1,170
Is it possible to test the ignition switch for power to the pole that feeds the FFS? If the ignition switch is the issue it might be a good idea to replace the ignition switch. If that sounds too advanced then take it to a shop and have them trouble shoot the problem. I try to avoid extra circuits added to fix one that should be working. I do add for things that are not stock wiring.
 
Reply
Old Mar 18, 2026 | 10:09 PM
  #14  
Elliott'84's Avatar
Elliott'84
Thread Starter
|
5th Wheeling
Joined: Nov 2025
Posts: 26
Likes: 6
Thank you all for the help. I got my truck running again this weekend. Turns out the fuse link was good but not the wire coming out of it. So, I basically just replaced the fuse link and the bad wire with a 20 amp inline fuse. Thanks again.
 
Reply
Related Topics
Thread
Thread Starter
Forum
Replies
Last Post
gump1376
Electrical Systems/Wiring
5
Oct 15, 2023 08:43 AM
TexasDude
1957 - 1960 F100 & Larger F-Series Trucks
4
Sep 26, 2016 03:03 PM
D8chumley
2009 - 2014 F150
38
Nov 18, 2013 04:52 PM
tjbeard
Electrical Systems/Wiring
3
Oct 22, 2005 04:23 PM




All times are GMT -5. The time now is 10:31 PM.