Notices
Pre-Power Stroke Diesel (7.3L IDI & 6.9L) Diesel Topics Only

REVIVAL

Thread Tools
 
Search this Thread
 
Old Nov 30, 2024 | 07:35 PM
  #16  
tjc transport's Avatar
tjc transport
i ain't rite
Joined: Mar 2005
Posts: 65,221
Likes: 5,405
From: Marlboro Mental Hospital.
Club FTE Gold Member
you hooked the temp sensor to the fuel shut off solenoid power???
 
Reply
Old Dec 2, 2024 | 08:59 AM
  #17  
TruckMonth's Avatar
TruckMonth
Thread Starter
|
Trailering
Liked
Joined: Nov 2024
Posts: 23
Likes: 1
Originally Posted by tjc transport
you hooked the temp sensor to the fuel shut off solenoid power???
I believe the temp sensor and the shutoff power share the same circuit. I didn’t mess with any of the wiring other then repairing the broken Shut off/on solenoid wiring. Unless you think I did something wrong here?
 
Reply
Old Dec 2, 2024 | 05:34 PM
  #18  
FORDF250HDXLT's Avatar
FORDF250HDXLT
Fleet Owner
15 Year Member
Community Builder
Liked
Community Favorite
Joined: Jul 2006
Posts: 20,150
Likes: 703
From: Mi'kma'ki
Originally Posted by TruckMonth
I believe the temp sensor and the shutoff power share the same circuit. I didn’t mess with any of the wiring other then repairing the broken Shut off/on solenoid wiring. Unless you think I did something wrong here?
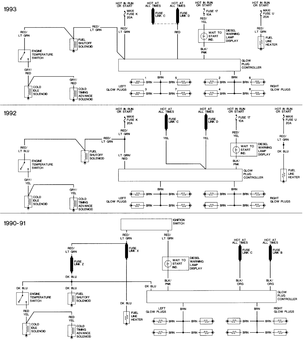
The temp sending unit has one wire. It runs inside the cab to your gauge. As the coolant warms up, the wire will begin to ground to the block, through the sensor. The warmer the sensor gets, the more the wire will be grounded to the block. So you wouldn't want to supply this with 12v.
There's another one over by that, hooked to the light, so when that one grounds, it triggers your overheat light.


The 12v FSS line, will also go to the temp switch. This one has two wires (12v in/ 12v out). This way, when the block is cold, it will pass your 12V to your cold high idle solenoid (on the side of IP near the throttle cable) and your cold timing advance (on top of IP near the FSS), but as the engine warms, the switch will no longer pass the 12V and turns off the high idle and the extra rattle you hear, see?
(So make sure the 12v going to the FSS does not go through the switch too of course, or else your engine would shut down once she warmed up haha. Same wire, but it will go to the FSS on the IN side of the switch is all, to keep a constant/ UN-switched power source.)




The two wire,temp switch is located on the other side of the engine, down by the thermostat housing. Just in back of it I think. If not, it's right around there.
 
Reply
Old Dec 2, 2024 | 11:20 PM
  #19  
TruckMonth's Avatar
TruckMonth
Thread Starter
|
Trailering
Liked
Joined: Nov 2024
Posts: 23
Likes: 1
Originally Posted by FORDF250HDXLT



thank you I really appreciate it, however these diagrams don’t totally match. I’ve got a 1985 6.9 not a 1990. But you seem to know what you’re talking about that’s for sure. It looks like the cold idle yellow wire and the Red/Green 12v SS wire run through the temp gauge. Any idea why they would burn up in a matter of seconds? I also just noticed that I’m missing a ground strap on the IPSS. Would that cause a melt down? Thanks!
 
Reply
Old Dec 3, 2024 | 12:06 AM
  #20  
FORDF250HDXLT's Avatar
FORDF250HDXLT
Fleet Owner
15 Year Member
Community Builder
Liked
Community Favorite
Joined: Jul 2006
Posts: 20,150
Likes: 703
From: Mi'kma'ki
Yup, but it's the same setup. Just different colors. Here's the '85
Found here: https://www.ford-trucks.com/forums/1...e-harness.html

See your red/green goes right to the FSS first? Then it goes through the temp switch (not to be confused with the temp sensor)
and then to the other solenoids, just like the latter trucks. They work the same way. It's very basic, see? The FSS line doesn't go to any temp sending units or gauges. Since you have it that way, it's dead shorting right to ground and that's why it's blowing the fuse instantly because sending units go right to ground, see? It's like you hooking the FSS wire, right to the truck chassis or the negative battery terminal when you do that. You need to hook it to the FSS and then to that two wire pronged temp switch is all.

If you're not running new wires, don't trust any of the old stuff. Just run new lines, just like this.


 
Reply
Old Dec 8, 2024 | 04:53 PM
  #21  
TruckMonth's Avatar
TruckMonth
Thread Starter
|
Trailering
Liked
Joined: Nov 2024
Posts: 23
Likes: 1
hey yall, spent the last week learning how to read wiring diagrams. Turns out things are wired correctly. Red/Green runs to FSS, Red/Yellow runs to Temp switch, Yellow runs to cold idle and cold advance. However I'm missing the ground strap and bolt on my FSS in the Ip. Would that cause the meltdown? Where could I pick one up, or what should I use to make one?
 
Reply
Old Dec 8, 2024 | 05:55 PM
  #22  
tjc transport's Avatar
tjc transport
i ain't rite
Joined: Mar 2005
Posts: 65,221
Likes: 5,405
From: Marlboro Mental Hospital.
Club FTE Gold Member
heavy ish gauge wire. i would go with 12 gauge simply because bigger is better, and ground from pump housing to block or an intake bolt
 
Reply
Old May 4, 2025 | 01:35 AM
  #23  
TruckMonth's Avatar
TruckMonth
Thread Starter
|
Trailering
Liked
Joined: Nov 2024
Posts: 23
Likes: 1
Happy spring yall! Got a few things going on the ol work in progress. New mechanical pump and ground strap for the IP solenoid! It’s still turning over and I’ve got fuel to the injectors. Still won’t start not sure where to go from here, any thoughts?
 
Reply
Old May 4, 2025 | 08:01 AM
  #24  
FORDF250HDXLT's Avatar
FORDF250HDXLT
Fleet Owner
15 Year Member
Community Builder
Liked
Community Favorite
Joined: Jul 2006
Posts: 20,150
Likes: 703
From: Mi'kma'ki
Does it try to fire on starting fluid? Any smoke out the exhaust while cranking?
 
Reply
Old May 4, 2025 | 09:34 AM
  #25  
ihc1470's Avatar
ihc1470
Tuned
10 Year Member
Joined: Jun 2013
Posts: 425
Likes: 57
From: Craigmont, Id
How fast is it turning over? It needs to be fast! You need power to the glow plugs and they need to be heating up, have you confirmed that? You need power to the FSS and it needs to ground, it needs to click when you pull the wire, does it? I start with a fuel can hanging from the hood. Let gravity work for you and bypass everything before the fuel filter. Normally I do not worry about cracking injection lines looking for fuel but it this case I would and make sure the ip is moving fuel. Did you by chance pull injectors and have them tested? Do you see any smoke in the exhaust? Do you have a working block heater and have you plugged it in?
 
Reply
Old May 4, 2025 | 11:03 PM
  #26  
TruckMonth's Avatar
TruckMonth
Thread Starter
|
Trailering
Liked
Joined: Nov 2024
Posts: 23
Likes: 1
HUGE win today! The engine does run but doesn't start on its own. I hit it with one tiny squirt of ether and she immediately roared. However my buddy turned the key off and in the very same moment i put a bag over the intake (very worried about it running away with the homemade ground for the IP solenoid). Thanks for the rec hotshot, I have been staying away from ether but it was worth it. Still wouldn't start immediately after and I didn't wanna use anymore ether on it. What wire do i need to pull for FSS to click? I am going to test glow plug functionality individually. I didn't think this was necessary because i replaced the GP controller and the relay as well as glow plugs. I'm beginning to suspect wiring to the IP, the IP its self or the injectors. I have not replaced all injectors yet, just one. The block heater does work and I will use a heat gun in the intake. Is there a chance something with GP controller is wrong? Thanks yall
 
Reply
Old May 5, 2025 | 12:20 AM
  #27  
BigBlue2's Avatar
BigBlue2
Lead Driver
20 Year Member
Liked
Loved
Community Favorite
Joined: Apr 2002
Posts: 5,091
Likes: 1,170
It's possible your controller is wonky
If your truck was an 84-86 almost assuredly the controller STB. But years after that many praise their controllers. I put in a manual button decades ago and I'm still using the same glow plugs. With a manual button you control the amount of GP time. I'm smarter than a controller so my GPs last a heck of a long time. Have you tested the GPs? Simple 12v test light, one lead on the GP blade one lead on the+ battery terminal. Remove the GP connector first. If the bulb lights up, GP is good.

There's probably a way to test the 7.3 controller. I'll let the 7.3 guys opine. I only speak manual button.
 
Reply
Old May 5, 2025 | 01:00 AM
  #28  
ihc1470's Avatar
ihc1470
Tuned
10 Year Member
Joined: Jun 2013
Posts: 425
Likes: 57
From: Craigmont, Id
Believe it is the forward wire on the pump. If it shut off with the key sounds like it is working, but double check. Power wire should have power when key is on and go off with key off. What style glow plug controller do you have? One has about 6 wires and a z shaped piece of metal coming off a relay. The other has a plug on top about 3 inches long and screws into the maniflold at left rear of engine as I recall. Been 20 years since I played with that style. As far as testing the relay style have someone turn on the key while you probe a wire going to a glow plug. Should have power for about 8-10 seconds and then flash a few times off and on and then go out and stay out if it is still factory wiring and no one has bypassed the controler and if the glow plugs are working and OEM plugs. Where did you get the glow plugs and what brand are they?
 
Reply
Old Jul 5, 2025 | 04:19 PM
  #29  
TruckMonth's Avatar
TruckMonth
Thread Starter
|
Trailering
Liked
Joined: Nov 2024
Posts: 23
Likes: 1
Hey y'all! I got the ol girl started on her own! Such a cool feeling to watch the thing turn over and idle. I ended up discovering that I had over estimated the engineering on the IP solenoid when replacing it. I discovered that i had hooked the solenoid arm around the small hook on the plunger which was just starving the thing of fuel.
This video at 8:00min when talking about the solenoid is what lead to solving the issue.
However not all good things can last long. I had started it a few times when I initially got it running and came back the following weekend to see if she'd run again. It turned right over just as id hoped, it ran relatively smooth for about 3 mins and then a the engine picked up idle ever so slightly and it started to make a gritty crunchy sound just at idle. I immediately shut the truck off and noticed a leak from the oil pan. Two small holes had formed at the front of the pan that looked like exit wounds. I initially thought that it could have been from a weed Wacker or something from years ago but with further investigation I have concluded that something has come loose in the engine. I will most likely being pulling it in the coming weeks and probably doing a rebuild. Thank you all for so much support, I will definitely need more in next few months. If anyone has an idea of what could've happened please share your thoughts!
 
Reply
Old Jul 5, 2025 | 04:32 PM
  #30  
TruckMonth's Avatar
TruckMonth
Thread Starter
|
Trailering
Liked
Joined: Nov 2024
Posts: 23
Likes: 1
Here is a quick video of her running and a picture of the holes in the pan , please excuse my vulgar gesture.

 
Attached Files
File Type: mov
IMG_2646.MOV (7.55 MB, 16 views)
Reply



All times are GMT -5. The time now is 08:52 PM.