Notices
Excursion - King of SUVs 2000 - 2005 Ford Excursion
Sponsored by:
Sponsored by:

Power Locks/Unlocks

Thread Tools
 
Search this Thread
 
Old Sep 16, 2024 | 11:05 PM
  #1  
Nitty62's Avatar
Nitty62
Thread Starter
|
Mountain Pass
5 Year Member
Liked
Loved
Community Favorite
Joined: May 2016
Posts: 166
Likes: 29
From: Spring, TX
Unhappy Power Locks/Unlocks

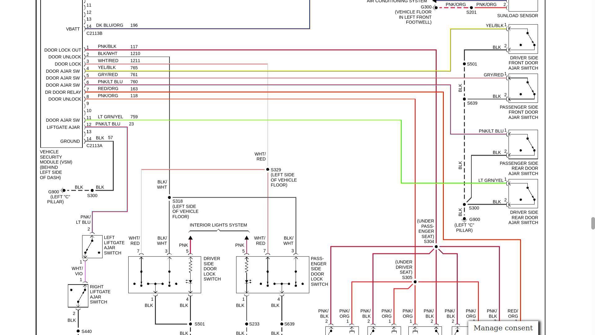
Time to bring up another age old problem that many people seem to have. I am once again looking for help with my power unlocks on my Excursion. For a while my key fob and keyless entry were working and now they have stopped completely leaving me power unlocking-less. I tried swapping my VSM with one on Ebay and it did not fix the issue. I have swapped my drivers and passenger side switches with others and that did not fix it. Can someone please help walk me through how to troubleshoot this?
To summarize:
- Power door locks work
- Power door unlocks do NOT work
- Keyless Entry does NOT work (at all, lock or unlock)
- Key fob does NOT work (at all, lock, unlock, alarm)
 
Reply
Old Sep 16, 2024 | 11:19 PM
  #2  
John in OkieLand's Avatar
John in OkieLand
Lead Driver
Community Builder
Liked
Loved
Community Favorite
Joined: Aug 2022
Posts: 5,050
Likes: 1,409
From: Oologah, OK
Club FTE Silver Member

IF, you can read Schematics, here are some in Color to help you out.
Way too big to give it to all at once, so I took 3 Screenshots.
do a Right Click on each one, and download it to your PC, then you can use a Image Viewer to Expand them bigger.

I do NOT know, if there is a difference from 2002 to 2004 ??




 
Reply
Old Sep 17, 2024 | 07:00 PM
  #3  
Nitty62's Avatar
Nitty62
Thread Starter
|
Mountain Pass
5 Year Member
Liked
Loved
Community Favorite
Joined: May 2016
Posts: 166
Likes: 29
From: Spring, TX
Not gonna lie John, I really appreciate the response but I am not great with electrical diagrams and don't know how to use this to troubleshoot my problem
 
Reply
Old Sep 17, 2024 | 11:42 PM
  #4  
John in OkieLand's Avatar
John in OkieLand
Lead Driver
Community Builder
Liked
Loved
Community Favorite
Joined: Aug 2022
Posts: 5,050
Likes: 1,409
From: Oologah, OK
Club FTE Silver Member

well.
Vermont is a bit more than a Sunday drive to drop in and help you out

pretty country up there though.
 
Reply
Old Sep 20, 2024 | 11:07 PM
  #5  
Nitty62's Avatar
Nitty62
Thread Starter
|
Mountain Pass
5 Year Member
Liked
Loved
Community Favorite
Joined: May 2016
Posts: 166
Likes: 29
From: Spring, TX
I'm moving near Houston in 2 weeks! Finally getting my poor baby out of this rust belt but unfortunately the damage is already done.
 
Reply
Related Topics
Thread
Thread Starter
Forum
Replies
Last Post
Eagle4701
2017 - 2022 Super Duty
4
Mar 29, 2022 03:22 AM
Lmasserello
Excursion - King of SUVs
1
Apr 27, 2017 07:49 PM
GreenMachinee
1987 - 1996 F150 & Larger F-Series Trucks
3
Nov 27, 2014 12:20 AM
wd0470
2004 - 2008 F150
4
Apr 1, 2007 05:17 PM




All times are GMT -5. The time now is 08:18 AM.

story-0
Top 10 Ford Truck Tragedies

Slideshow: Top 10 Ford truck tragedies.

By Joe Kucinski | 2026-05-18 19:34:33


VIEW MORE
story-1
AEV FXL Super Duty - the Super Duty Raptor Ford Doesn't Make

And it might be even better than that.

By Brett Foote | 2026-05-18 19:26:42


VIEW MORE
story-2
Lobo Vs Lobo: Proof the F-150 Lobo Should Be Even Lower!

Slideshow: Does lowering an F-150 Lobo RUIN the ride quality?

By Michael S. Palmer | 2026-05-18 19:20:37


VIEW MORE
story-3
Ford's 2001 Explorer Sportsman Concept Looks For a New Home

Slideshow: Ford's bizarre fishing-themed Explorer concept has resurfaced after spending decades largely forgotten.

By Verdad Gallardo | 2026-05-12 18:07:46


VIEW MORE
story-4
10 Best Ford Truck Engines We Miss the Most!

Slideshow: The 10 best Ford truck engines we miss the most.

By Joe Kucinski | 2026-05-12 13:09:47


VIEW MORE
story-5
2026 Shelby F-150 Off-Road: Better Than a Raptor R?

Slideshow: first look at the 810 hp 2026 Shelby F-150 Off-Road!

By Brett Foote | 2026-05-12 12:50:07


VIEW MORE
story-6
2027 Super Duty Carhartt Package First Look: 12 Things You NEED to Know!

Slideshow: Everything You Need to Know about the 2027 Super Duty Carhartt Package!

By Michael S. Palmer | 2026-05-07 17:51:06


VIEW MORE
story-7
10 Most Surprising 2026 Ford Truck Features!

Slideshow: 10 most surprising Ford truck options/features in 2026.

By Joe Kucinski | 2026-05-05 11:17:22


VIEW MORE
story-8
Top 10 Ford Trucks Coming to Mecum Indy 2026

Slideshow: Here are the top 10 Fords coming to Mecum Indy 2026.

By Brett Foote | 2026-05-04 13:49:49


VIEW MORE
story-9
5 Best / 5 Worst Ford Truck Wheels of All Time

Slideshow: The 5 best and 5 worst Ford truck wheels of all time

By Joe Kucinski | 2026-04-29 16:49:01


VIEW MORE