Notices
2017 - 2022 Super Duty The 2017-2022 Ford F250, F350, F450, F550 & F600 Super Duty Pickup and Chassis Cab
Sponsored by:
Sponsored by: CARiD

Electrical issues DDM….

Thread Tools
 
Search this Thread
 
Old Apr 8, 2024 | 08:15 PM
  #16  
Cmelde01's Avatar
Cmelde01
Thread Starter
|
5th Wheeling
Liked
Joined: Mar 2024
Posts: 42
Likes: 1
Originally Posted by Don Ridley
Are you still getting the "U" communication errors?

I would look for PIDs associated the the DDM. Maybe you can determine of the module is sending a signal but it's not making it to the mirror.
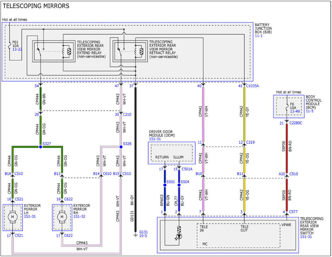
No I have not codes as of now. Per the workshop manual I was looking at for the 21 model, I believe the ddm only controls the led light for the telescope switch. The other wires go from the switch, to the non serviceable relay at the bjb then back to the mirror connector if I’m reading it correctly.
 
Reply
Old Apr 8, 2024 | 10:11 PM
  #17  
ifrythings's Avatar
ifrythings
Fleet Mechanic
10 Year Member
Photogenic
Photoriffic
Shutterbug
Joined: Aug 2011
Posts: 1,557
Likes: 254
Sounds like the BJB got water in it, there is a recall for that I believe, not sure if it's applicable for you or not. I don't know what else to suggest but here is 2021 wiring diagrams for your truck.





 
Reply
Related Topics
Thread
Thread Starter
Forum
Replies
Last Post
wh-7
1999 - 2016 Super Duty
4
Apr 12, 2024 09:25 AM
bronc93
1997 - 2006 Expedition & Navigator
3
Feb 12, 2009 04:31 PM
flat540
1999 - 2016 Super Duty
3
May 17, 2007 09:02 PM
precords
Aerostar
7
Jul 17, 2006 07:23 PM
Firefighter631
1997 - 2003 F150
1
Jun 1, 2005 06:02 PM




All times are GMT -5. The time now is 03:59 AM.