Notices
1948 - 1956 F1, F100 & Larger F-Series Trucks Discuss the Fat Fendered and Classic Ford Trucks

Part needed

Thread Tools
 
Search this Thread
 
Old Apr 13, 2015 | 09:07 PM
  #1  
fabieber's Avatar
fabieber
Thread Starter
|
Senior User
Joined: Feb 2009
Posts: 316
Likes: 0
From: Ridgefield, Washington
Part needed

1955 F100 - stock 4 speed. There is a thick rubber pad around the top of the transmission where the stick enters the tranny. The boot is really in need of replacement but I cannot find one on any of the typical sites like Mid Fifty.


Anyone know where I might locate a replacement?
 
Reply
Old Apr 13, 2015 | 09:21 PM
  #2  
truckeemtnfords's Avatar
truckeemtnfords
Logistics Pro
Veteran: Marine Corps
15 Year Member
Liked
Loved
Joined: Nov 2006
Posts: 3,669
Likes: 365
From: Fallon,NV & Bainbridge OH
Club FTE Gold Member
call Mid Fifty, they have a large assortment of used trucks and parts.
 
Reply
Old Apr 13, 2015 | 09:27 PM
  #3  
harleymsn's Avatar
harleymsn
FTE Chapter Leader
20 Year Member
Photogenic
Photoriffic
Shutterbug
Joined: Dec 2001
Posts: 3,636
Likes: 11
From: Crossville, Tn
Club FTE Silver Member

Originally Posted by fabieber
1955 F100 - stock 4 speed. There is a thick rubber pad around the top of the transmission where the stick enters the tranny. The boot is really in need of replacement but I cannot find one on any of the typical sites like Mid Fifty.


Anyone know where I might locate a replacement?
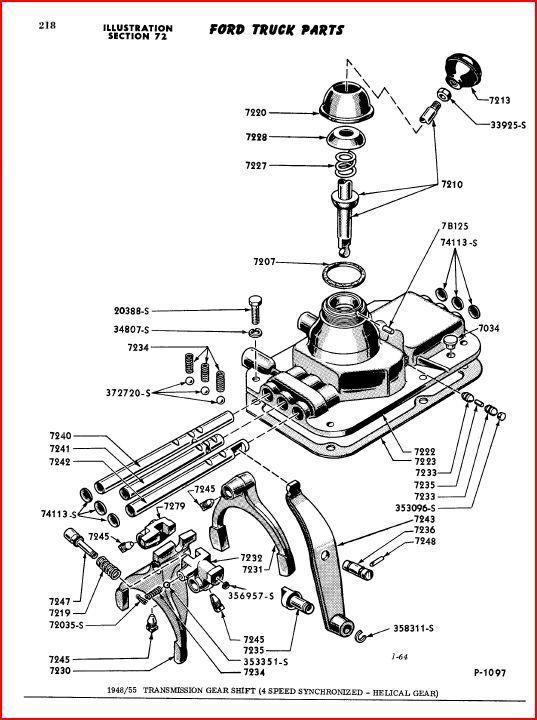
Are you talking about the Gasket 8MTH 7207 or the seat 8MTH 7228?
 
Reply
Old Apr 13, 2015 | 09:39 PM
  #4  
fabieber's Avatar
fabieber
Thread Starter
|
Senior User
Joined: Feb 2009
Posts: 316
Likes: 0
From: Ridgefield, Washington
Originally Posted by harleymsn
Are you talking about the Gasket 8MTH 7207 or the seat 8MTH 7228?
Definitely not the 7207 but the other part does not look like the one on my transmission. Mine is not sloped on the edges.
 
Reply
Old Apr 13, 2015 | 09:41 PM
  #5  
fabieber's Avatar
fabieber
Thread Starter
|
Senior User
Joined: Feb 2009
Posts: 316
Likes: 0
From: Ridgefield, Washington
Originally Posted by fabieber
Definitely not the 7207 but the other part does not look like the one on my transmission. Mine is not sloped on the edges.


Second look at the diagram - it actually looks more like the piece that the pin #78125 is directed at but I will have to look to see if that is accurate
 
Reply
Old Apr 13, 2015 | 09:52 PM
  #6  
fabieber's Avatar
fabieber
Thread Starter
|
Senior User
Joined: Feb 2009
Posts: 316
Likes: 0
From: Ridgefield, Washington
Originally Posted by harleymsn
Are you talking about the Gasket 8MTH 7207 or the seat 8MTH 7228?
Harrier had a post on 03/31/15 with a picture of his truck (spring seat). In his picture you can see the pad I am referring to which is under a flat metal ring the appears to sit right under part #7207
 
Reply
Old Apr 13, 2015 | 10:17 PM
  #7  
Harrier's Avatar
Harrier
Lead Driver
20 Year Member
Shutterbug
Joined: Nov 2002
Posts: 9,668
Likes: 1,249
From: Jefferson City, MO
Well, I couldn't locate the picture you were talking about.
Do you see it in either of these? If not, I can pull the trans cover and take some better pictures tomorrow.




 
Reply
Old Apr 13, 2015 | 11:15 PM
  #8  
fabieber's Avatar
fabieber
Thread Starter
|
Senior User
Joined: Feb 2009
Posts: 316
Likes: 0
From: Ridgefield, Washington
Originally Posted by Harrier
Well, I couldn't locate the picture you were talking about.
Do you see it in either of these? If not, I can pull the trans cover and take some better pictures tomorrow.




Hi Joe,
Your transmission is totally different than mine. My Truck is a 55 and the transmission does not have that cylindrical part on the back of it. Also, the parts under the shift lever do not look at all like mine.
You are so thoughtful to look further but I know the trannies are different.
Thank you for your help.
 
Reply
FTE Stories

Ford Trucks for Ford Truck Enthusiasts

story-0

Top 10 Ford Truck Tragedies

 Joe Kucinski
story-1

AEV FXL Super Duty - the Super Duty Raptor Ford Doesn't Make

 Brett Foote
story-2

Lobo Vs Lobo: Proof the F-150 Lobo Should Be Even Lower!

 Michael S. Palmer
story-3

Ford's 2001 Explorer Sportsman Concept Looks For a New Home

 Verdad Gallardo
story-4

10 Best Ford Truck Engines We Miss the Most!

 Joe Kucinski
story-5

2026 Shelby F-150 Off-Road: Better Than a Raptor R?

 Brett Foote
story-6

2027 Super Duty Carhartt Package First Look: 12 Things You NEED to Know!

 Michael S. Palmer
story-7

10 Most Surprising 2026 Ford Truck Features!

 Joe Kucinski
story-8

Top 10 Ford Trucks Coming to Mecum Indy 2026

 Brett Foote
story-9

5 Best / 5 Worst Ford Truck Wheels of All Time

 Joe Kucinski
Old Apr 13, 2015 | 11:21 PM
  #9  
fabieber's Avatar
fabieber
Thread Starter
|
Senior User
Joined: Feb 2009
Posts: 316
Likes: 0
From: Ridgefield, Washington
Originally Posted by fabieber
Hi Joe,
Your transmission is totally different than mine. My Truck is a 55 and the transmission does not have that cylindrical part on the back of it. Also, the parts under the shift lever do not look at all like mine.
You are so thoughtful to look further but I know the trannies are different.
Thank you for your help.

Hold everything. I just looked more closely and the numbers on top of my tranny are the same as yours. There is a nearly 2 inch thick piece of foam type rubber right under the flat ring that wraps that ovoid shaped housing.


What is the cylindrical piece that your tranny has?
 
Reply
Old Apr 14, 2015 | 05:56 AM
  #10  
Harrier's Avatar
Harrier
Lead Driver
20 Year Member
Shutterbug
Joined: Nov 2002
Posts: 9,668
Likes: 1,249
From: Jefferson City, MO
The cylinder on the back is the emergency brake. My 55 is an F-250, your emergency brake is different.

Ahhh....I don't have the foam rubber under the flat ring. It makes sense to have something like that though.The flat ring just didn't make any sense, but if I put a thick gasket under it...or on top it will seal the opening on the transmission cover. I wondered what that big flat ring was for since it just sits on the transmission. Now it makes sense.

I will look at the book, I wonder if that gasket is in the drawings with the transmission cover....
 
Reply
Old Apr 14, 2015 | 10:10 AM
  #11  
Jolly Roger Joe's Avatar
Jolly Roger Joe
Lead Driver
Joined: Jul 2011
Posts: 6,599
Likes: 34
From: Rockingham, VA
Originally Posted by Harrier
I will look at the book, I wonder if that gasket is in the drawings with the transmission cover....
I couldn't find it in the transmission section of the Parts Catalog. Here's a pic showing mine, on the floor next to the m/c hole. The gasket has the metal plate on top.

 
Reply
Old Apr 14, 2015 | 10:03 PM
  #12  
fabieber's Avatar
fabieber
Thread Starter
|
Senior User
Joined: Feb 2009
Posts: 316
Likes: 0
From: Ridgefield, Washington
Originally Posted by Jolly Roger Joe
I couldn't find it in the transmission section of the Parts Catalog. Here's a pic showing mine, on the floor next to the m/c hole. The gasket has the metal plate on top.

The thickness looks comparable but the shape on mine is round. I looked at it carefully and although the round foam ring is now removable it appears that the entire ring was originally glued to the "dome" of the gear shift lever. It is obviously not an important part so I will just let it set under the flat ring as it did before I removed the transmission.


Thank you for you help and time you spent looking into this for me.


Fred
 
Reply
Old Apr 14, 2015 | 11:26 PM
  #13  
Cougar54's Avatar
Cougar54
Laughing Gas
10 Year Member
Joined: Oct 2012
Posts: 831
Likes: 7
From: Milford, Michigan
Dennis Carpenter sells them. Part number 7C-8112130 for $9.95 plus shipping.

Transmission Cover Seal | Dennis Carpenter Ford Restoration Parts
 
Reply
Old Apr 15, 2015 | 05:59 AM
  #14  
Harrier's Avatar
Harrier
Lead Driver
20 Year Member
Shutterbug
Joined: Nov 2002
Posts: 9,668
Likes: 1,249
From: Jefferson City, MO
Originally Posted by Cougar54
Dennis Carpenter sells them. Part number 7C-8112130 for $9.95 plus shipping.

Transmission Cover Seal | Dennis Carpenter Ford Restoration Parts
Well that's interesting. It looks like that is exactly what we need for the T-98, but the catalog (Others have it too now that I know what to look for) says it is for the 48-52 trucks. So did Ford move to something else for our trucks?

Sounds like a question for NumberDummy.
 
Reply
Old Apr 15, 2015 | 09:30 AM
  #15  
harleymsn's Avatar
harleymsn
FTE Chapter Leader
20 Year Member
Photogenic
Photoriffic
Shutterbug
Joined: Dec 2001
Posts: 3,636
Likes: 11
From: Crossville, Tn
Club FTE Silver Member

"Transmission Cover Seal" I think that explains the confusion, it's not considered a transmission part, but rather a sheet metal or 'body' part so this is listed in the body part section of the parts catalog.
Strangely, for 53-58 it shows that this is NOT for the F100


 
Reply



All times are GMT -5. The time now is 04:35 AM.

story-0
Top 10 Ford Truck Tragedies

Slideshow: Top 10 Ford truck tragedies.

By Joe Kucinski | 2026-05-18 19:34:33


VIEW MORE
story-1
AEV FXL Super Duty - the Super Duty Raptor Ford Doesn't Make

And it might be even better than that.

By Brett Foote | 2026-05-18 19:26:42


VIEW MORE
story-2
Lobo Vs Lobo: Proof the F-150 Lobo Should Be Even Lower!

Slideshow: Does lowering an F-150 Lobo RUIN the ride quality?

By Michael S. Palmer | 2026-05-18 19:20:37


VIEW MORE
story-3
Ford's 2001 Explorer Sportsman Concept Looks For a New Home

Slideshow: Ford's bizarre fishing-themed Explorer concept has resurfaced after spending decades largely forgotten.

By Verdad Gallardo | 2026-05-12 18:07:46


VIEW MORE
story-4
10 Best Ford Truck Engines We Miss the Most!

Slideshow: The 10 best Ford truck engines we miss the most.

By Joe Kucinski | 2026-05-12 13:09:47


VIEW MORE
story-5
2026 Shelby F-150 Off-Road: Better Than a Raptor R?

Slideshow: first look at the 810 hp 2026 Shelby F-150 Off-Road!

By Brett Foote | 2026-05-12 12:50:07


VIEW MORE
story-6
2027 Super Duty Carhartt Package First Look: 12 Things You NEED to Know!

Slideshow: Everything You Need to Know about the 2027 Super Duty Carhartt Package!

By Michael S. Palmer | 2026-05-07 17:51:06


VIEW MORE
story-7
10 Most Surprising 2026 Ford Truck Features!

Slideshow: 10 most surprising Ford truck options/features in 2026.

By Joe Kucinski | 2026-05-05 11:17:22


VIEW MORE
story-8
Top 10 Ford Trucks Coming to Mecum Indy 2026

Slideshow: Here are the top 10 Fords coming to Mecum Indy 2026.

By Brett Foote | 2026-05-04 13:49:49


VIEW MORE
story-9
5 Best / 5 Worst Ford Truck Wheels of All Time

Slideshow: The 5 best and 5 worst Ford truck wheels of all time

By Joe Kucinski | 2026-04-29 16:49:01


VIEW MORE